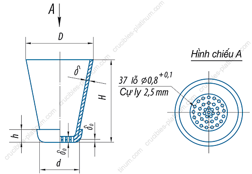
Chén nung bạch kim có khay và lỗ trên đáy / Loại 110
Ngày: 11.04.2026
Giá Bạch Kim mỗi Ounce/ĐÔ LA Mỹ: 2 065,20
Giá Bạch Kim mỗi Gam/ĐÔ LA Mỹ: 66,40
Giá Bạch Kim mỗi Gam/EURO: 56,78
Gía của sản phẩm này được tính theo yêu cầu.

.png)
| Loại | D, mm | d, mm | H, mm | h | δ0±0,05, mm | δ±0,05, mm | Trọng lượng, g |
|---|---|---|---|---|---|---|---|
| 110-1 | 26 | 18 | 26 | 6 | 0,4 | 0,3 | 19 |
| 110-2 | 32 | 18 | 38 | 7 | 0,4 | 0,3 | 26 |
Chén nung loại 110-1 hợp với nắp loại 101-4.
Chén nung loại 110-2 hợp với nắp loại 101-7.
Tất cả sản phẩm của chúng tôi đều được làm từ bạch kim siêutinh khiết
Tải xuống mục lục