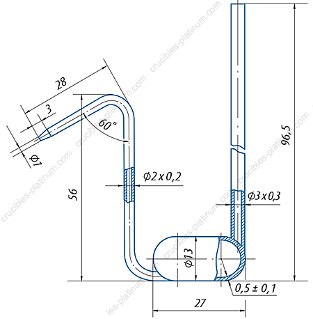
ماصة مصنوعة من البلاتين لأخذ العينات السائلة صنف 415
التاريخ: 25.05.2026
تكلفة البلاتين لكل أونصة تروي/الدولار الأمريكي : 1 973,35
تكلفة البلاتين للجرام/الدولار الأمريكي : 63,44
تكلفة البلاتين للجرام/اليورو: 54,74
.يتم احتساب سعر هذه المادة عند الطلب


الوزن 18 جرام.
منتجاتنا كلها مصنوعة من البلاتين الفائق النقاء
تحميل الكتالوج